Skoči na sadržaj

HÄFELE - Spojni element kreveta HS za nosač srednje grede i nosač letvičaste podnice

Konačna cena 169 RSD - Konačna cena 169 RSD
Konačna cena
169 RSD
169 RSD - 169 RSD
Trenutna cena 169 RSD

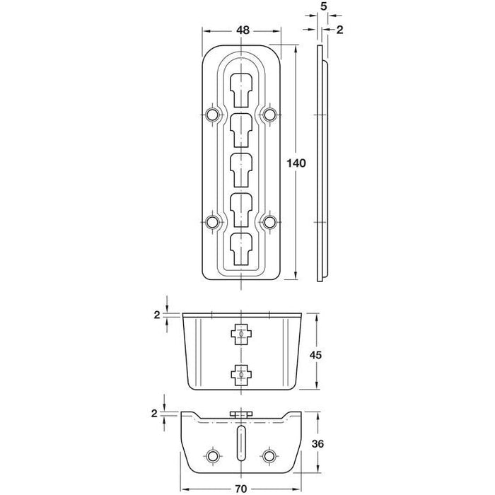
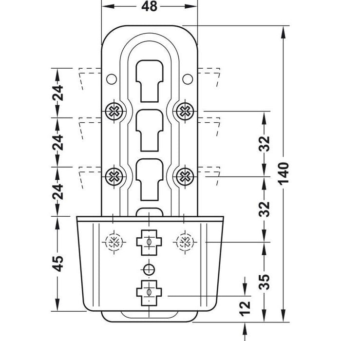
Spojni element kreveta HS namenjen je za povezivanje i stabilno pričvršćivanje nosača srednje grede i nosača letvičaste podnice kod jednokrevetnih i bračnih kreveta. Omogućava čvrstu i pouzdanu konstrukciju kreveta, čime se obezbeđuje ravnomerno opterećenje i dugotrajna stabilnost.


Tehničke karakteristike

Visina:
140,0 mm

Boja / završna obrada:
plavo pocinkovano

Područje primene:
za jednokrevetne i bračne krevete, kao nosač podnice / tapacirane podloge ili nosač srednje grede

Izvedba:
podesiva visina

Materijal:
čelik

Mogućnost podešavanja:
visina trostruko podesiva, četiri nivoa uglavljivanja

Montaža:
za pričvršćivanje vijcima

Napomena za montažu:
Kod bračnih kreveta sa srednjom gredom debljine 35 mm, montažne ploče na uzglavlju i uznožju treba pričvrstiti vijcima 5 mm više u odnosu na bočne stranice kreveta, kako bi ležišta kutnika i srednje grede bila u istoj ravni.

Sadržaj pakovanja:

  • 1 montažna (ovjesna) ploča
  • 1 kutnik

Prodavnica Hoba ulaže sve napore da boje artikala na internetu budu što sličnije bojama u prirodi. Ipak, zbog različitog prikaza na uređajima, boje koje dobijete mogu se delimično razlikovati od onih na ekranu.