AGB MAGNETNA BRAVA ZA DRVENA VRATA MEDIANA POLARIS- ključ
Ključne prednosti magnetnih brava je tiho zatvaranje i preciznost mehaničkih spojnica koji omogućavaju izuzetno glatko kretanje kvake i ključa.
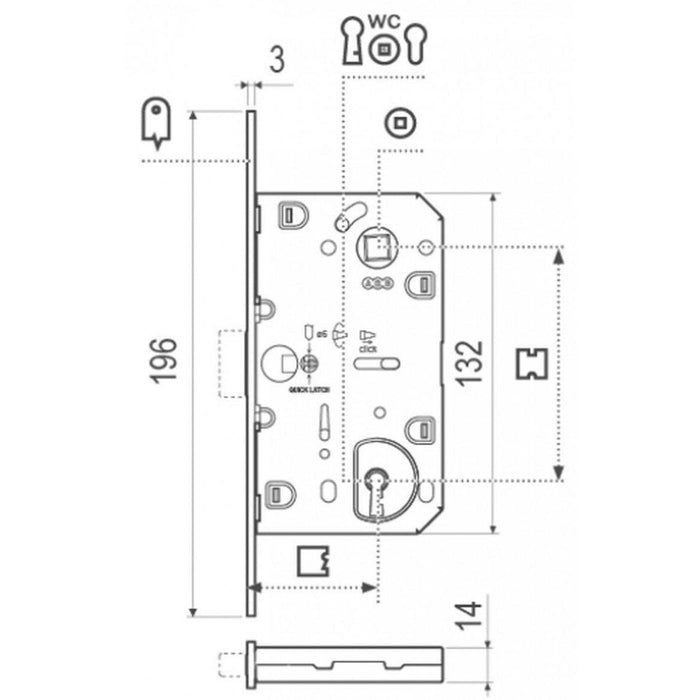
Brava sa magnetnim jezičkom koji se uvlači u bravu. Napravljenim od tvrdog najlona približne boje čelu brave. Kvaka se pokreće i kada je brava zaključana, čime se ne opterećuje mehanizam. Osno rastojanje je 90 mm. Zaobljeno čelo širine 18 mm. Verzija na običan ključ. Dostupno sa dorn merom 50,5 mm. Brava je reverzibilna, za leva i desna vrata. Ključevi za brave se proizvode u 4 različite verzije i označeni su sa brojevima. Uz svaku bravu isporučuje se jedan ključ sa istim brojem.
NAMENA- Namenjena je za unutrašnja drvena vrata i za protivpožarna vrata po sertifikatu EN 1634.
MONTAŽA- Pripremiti krilo vrata prema dijagramu. Montaža se vrši sa dva vijka 4,5 x 25 mm.
Pogledajte ostale proizvode u kategoriji brave za vrata.
Prodavnica Hoba ulaže sve napore da boje artikala na internetu budu što sličnije bojama u prirodi. Ipak, zbog različitog prikaza na uređajima, boje koje dobijete mogu se delimično razlikovati od onih na ekranu.